- Главная
- Конвейерная лента
- Конвейерная шевронная лента FORTIS 25/80
Конвейерная шевронная лента FORTIS 25/80
Характеристики
Описание
Шевронная лента FORTIS торговой марки "ТАРГЕТ"
Производится в соответствии с ТУ У 22.1-36989273-001:2020
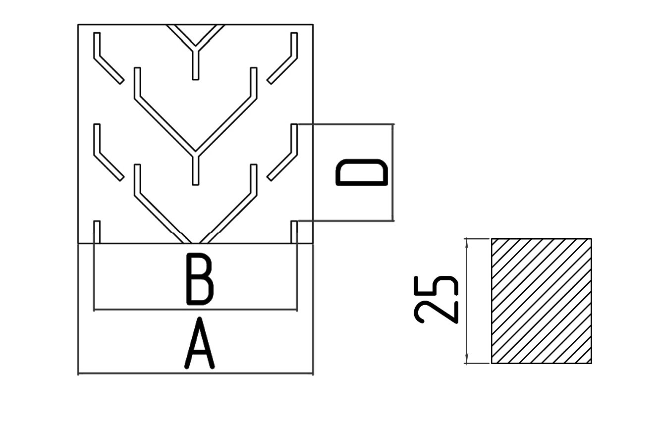
Минимальная ширина ленты: 750 мм
Высота шеврона 25 мм (усиленный профиль для тяжелых условий эксплуатации)
Варианты исполнения:
- общего назначения
- маслостойкая
- повышенной износостойкости (для тяжелых условий эксплуатации)
*Стоимость указана без учета полотна ленты
Уважаемые клиенты! При размещении заказа просьба уточнять наличие и стоимость у наших менеджеров
Оплата
Оплата производится путем перечисления денежных средств на р/с ООО "ТРП "Таргет"
Мы являемся плательщиками НДС и налога на прибыль на общих основаниях.
Доставка
Бесплатно
Доставка товара оплачивается Получателем согласно тарифам ТК "Новая Почта"
Доставка товара оплачивается Получателем согласно тарифам транспортной компании "САТ"
Ваш вариант доставки который будет обсужден с нашим менеджером
Гарантия
Возврат возможен в течение 14 дней после получения (для товаров надлежащего качества).
Обратная доставка товаров осуществляется по договоренности.
Компания производит возврат и обмен товаров надлежащего качества согласно Закону «О защите прав потребителей».
Возврат и обмен товаров возможно в течение 14 дней после получения товара покупателем. Обратная доставка товаров производится по договоренности.
Рекомендуемые товары
Вместе покупают
Уточняйте цену перед заказом.
Указанная цена является индикативной, и может изменяться как в меньшую, так и в большую сторону.




Оставить отзыв